一、蒸发式湿膜加湿器
蒸发式湿膜加湿器是一种等焓加湿方式,水分的蒸发是通过吸收空气中的能量实现的,这时空气的干球温度下降,同时空气中的绝对含水量增加,但空气的焓值保持不变。此种加湿方式在国际与国内已被大量使用。
加湿器通过供水管路或循环供水泵系统将水送到湿膜顶部,由布水管上的小孔向下喷出,通过疏水介质均匀分配供给加湿介质,加湿介质提供空气与水之间较大的接触面积,形成水膜,通过给水不断流动,与空气进行热湿交换,达到加湿与自清洗功能。
●加湿器核心部件湿材
蒸发式湿膜加湿器的核心部件是蕊体材料,我公司可向客户提供三种湿材:有机、无机及金属材料,可满足用户多方面的需要。

二、蒸发式湿膜加湿器的优越性能
●饱和效率高
加湿器通过布水器将水均匀的分布到加湿介质上,而且加湿介质蒸发面积大,所以饱和效率高;饱和效率是一定的,不受空气入口温湿度的影响。即使是低温高湿的条件下,也能维持可靠的加湿性能。
●洁净加湿
由于水分子完全气化,不必担心出现“白粉”现象,加湿介质表面形成的水膜具有除尘、脱臭的功能,可以消除空气中的灰尘、细菌等,并通过未蒸发掉的水分排出。如果在供水系统里加装消毒装置(如含氯药剂或臭氧)可对空调系统进行彻底消毒。
●节省空间
加湿器空气出口没有水滴飘洒,加湿吸收距离短,气流方向组织均匀,空调机外形尺寸减小。
●无结露现象
加湿器出口空气相对湿度不会过饱和,不会产生再凝结和结露现象。
●维护方便
加湿器构造简单,不需要处理,所以维护方便。
●使用范围广
可配合各种型号的普通空调使用,也可用于非标产品。
●加湿能力自我调节
由于饱和效率是相对稳定的,即使空气入口温湿度或加湿量发生变化,也可以自我调整。
●良好的降温效果
由于其采用蒸发原理,吸收空气中的显热,所以具有明显的降温效果,尤其适用于西北干燥地区降温使用,可节省能源,每蒸发1升的水可获得相当于7公斤冰融化的冷量,但花费却只是压缩制冷的十分之一。
工作原理图如下:

三、蒸发式湿膜加湿器风阻及饱和效率表:
|
湿膜厚度(mm) |
50 |
80 |
100 |
150 |
200 |
300 |
|
压力损失(pa) |
35 |
45 |
53 |
80 |
125 |
200 |
|
饱和效率(%) |
40 |
50 |
60 |
75 |
85 |
95 |
|
测试条件 |
湿材为45度角斜交叉,风速2.5m/s,进风干球温湿度35℃,5%RH,出风干球温湿度20℃,55%RH。 |
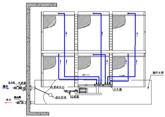
四、蒸发式湿膜加湿器的供水方式
(一)、直排水方式
1、安装示意图:

2、电控原理图:

(二)、内循环供水方式
1、安装示意图:

(三)、内、外循环供水
安装示意图:
五、蒸发式湿膜加湿器型号:
六、蒸发式湿膜加湿器快速选型表:
| 空调机 风量 m3/h |
加湿量kg/h |
SM-60 |
SM-80 |
SM-100 |
SM-120 |
SM-150 |
SM-200 |
SM-300 |
| 2000 |
0.22 |
7.3 |
9 |
11 |
13 |
15 |
18 |
19 |
| 2500 |
0.28 |
9.2 |
11.5 |
13.5 |
16 |
18 |
22 |
24 |
| 3000 |
0.33 |
11 |
13.5 |
16 |
20 |
22 |
27 |
29 |
| 3500 |
0.39 |
13 |
16 |
19 |
23 |
26 |
32 |
34 |
| 4000 |
0.44 |
15 |
18.5 |
22 |
26 |
30 |
36 |
39 |
| 4500 |
0.5 |
16 |
20 |
24 |
29 |
33 |
41 |
44 |
| 5000 |
0.56 |
18 |
22.5 |
27 |
33 |
37 |
45 |
49 |
| 5500 |
0.61 |
20 |
25 |
30 |
36 |
41 |
49 |
54 |
| 6000 |
0.66 |
22 |
27 |
32 |
40 |
44 |
54 |
59 |
| 6500 |
0.72 |
24 |
29 |
35 |
43 |
48 |
59 |
64 |
| 7000 |
0.78 |
25 |
31.5 |
38 |
46 |
52 |
63 |
69 |
| 7500 |
0.83 |
27 |
34 |
41 |
49 |
56 |
67 |
74 |
| 8000 |
0.89 |
29 |
36 |
44 |
52 |
60 |
72 |
79 |
| 8500 |
0.94 |
30 |
38 |
46 |
55 |
67 |
76 |
84 |
| 9000 |
1 |
32 |
40.5 |
49 |
59 |
67 |
81 |
89 |
| 9500 |
1.06 |
34 |
43 |
52 |
62 |
71 |
85 |
94 |
| 10000 |
1.11 |
36 |
45 |
54 |
66 |
74 |
89 |
99 |
| 15000 |
1.67 |
55 |
68 |
81 |
99 |
111 |
133 |
149 |
| 20000 |
2.22 |
73 |
90 |
108 |
132 |
148 |
178 |
199 |
| 25000 |
2.8 |
91 |
113 |
135 |
165 |
185 |
225 |
249 |
| 30000 |
3.33 |
108 |
135 |
162 |
198 |
222 |
270 |
298 |
| 35000 |
3.9 |
127 |
156 |
189 |
231 |
259 |
315 |
346 |
| 40000 |
4.44 |
146 |
181 |
216 |
264 |
296 |
360 |
392 |
注:测试工况:t=35℃ φ=5%RH v=2.5m/s t2=20℃ φ2=55%RH
1.工况条件:
加湿前:t=35℃ φ=5%RH V=6000m3/h
加湿后:t=20℃ φ=55%RH 风速=2.5m/h
2.根据公式求出所需加湿量:(全新风)
W=V·P·(d2-d1)
=6000·1.2·(0.0077-0.0017)
=43.2kg/h
3.因空调机新风量为6000m3/h,有效加湿量为43.2kg/h,故根据表(二)查对应湿膜型号为SM—150
4.部分新风加湿量计算经验公式:W=P×V×新风比×1.5×(d2-d1)
七、蒸发式湿膜加湿器技术参数表
| 风速 |
SM—60 |
SM—80 |
SM—100 |
SM—120 |
SM—150 |
SM—200 |
SM—300 |
| η |
W1 |
η |
W1 |
η |
W1 |
η |
W1 |
η |
W1 |
η |
W1 |
η |
W1 |
| 2 |
38 |
34 |
47 |
42 |
57 |
51 |
67 |
60 |
77 |
69 |
87 |
83 |
98 |
93 |
| 2.5 |
37 |
32 |
46 |
40.5 |
55 |
49 |
66 |
59 |
75 |
67 |
85 |
81 |
95 |
89 |
| 3 |
36 |
32 |
45 |
39 |
54 |
48 |
65 |
58 |
73 |
65 |
83 |
78 |
92 |
87 |
| 3.5 |
35 |
31 |
44 |
38.2 |
53 |
47 |
64 |
57 |
72 |
64 |
82 |
76 |
89 |
85 |
| 4 |
34 |
30 |
43 |
37 |
52 |
46 |
63 |
56 |
71 |
63 |
81 |
74 |
86 |
83 |
| 4.5 |
33 |
29 |
42 |
36 |
51 |
45 |
62 |
55 |
70 |
62 |
80 |
72 |
83 |
81 |
| 5 |
32 |
28 |
41 |
35 |
50 |
44 |
61 |
54 |
69 |
61 |
79 |
70 |
80 |
80 |
注:测试工况:t=35℃ φ=5%RH t2=20℃ φ2=55%RH (η代表饱和效率,W1代表1m2标准加湿量)
(一) 根据饱和效率选型法
(1) 工况同前
根据公式求出饱和效率:

注:η=饱和效率%
d2=加湿后空气含湿量kg/kg
d1=加湿前空气含湿量kg/kg
dmax=饱和空气含湿量kg/kg
(1) 查选型参数表(三)
风速为2.5m/s,饱和效率为72%时对应型号为SM—150
(二)根据有效加湿量换算成1m2标准加湿量选型法
举例:
(1)、工况同前
(2)、有效加湿量W=43.2kg/h

(5)查表(三)风速为2.5m/s,标准加湿量为65.4kg/h/m2,对应型号为SM—150